Фаркоп на Mazda CX-5 12.2157.32 Полный размер

Фаркоп на Mazda CX-5 12215732

Производитель: Baltex

Новое

с 2012 по 2017 г.в.

Уточняйте наличие товара

Отзывы от наших клиентов
( 0.0 / 5) - 0 отзыв(ы)
Тип шара: Быстросъёмный.
Диаметр шара,мм: 50.
Вертикальная нагрузка на шар, кг: 88.
Максимальная масса прицепа, кг: 2000.
Снимать бампер: Надо.
Резать бампер: Не надо.
Сверлить отверстия (количество): Не надо.
Утилизация усилителя бампера: Да.
Место крепления на автомобиле: Лонжероны (места крепления предусмотрены изготовителем автомобиля).
В комплект поставки входят: Монтажные и крепежные изделия, колпачок.
Стоимость фаркопа: Без электропакета.
Требуется смартконнект: Да.
Масса изделия, кг.: 20,7.

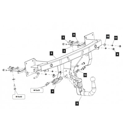
Инструкция по установке фаркопа на Mazda CX-5 12.2157.32

Скачать инструкцию (0)

Что бы оформить заказ в интернет магазине по продаже фаркопов и автоаксессуаров Mnogofarkopov.ru необходимо:

  • Добавить в корзину нужный Вам товар, если Вы хотите добавить еще какие-нибудь позиции то нажмите “продолжить покупки”, если нет то нажмите “заказать”
  • Далее проходите небольшую процедуру регистрации, выбираете способ доставки и оплаты и нажимаете “разместить заказ”
  • После оформления заказа Наши менеджеры свяжутся с Вами для подтверждения заказа и проверят совместимость заказанного товара.


Подробная фото инструкция

Стоимость работы по установке фаркопа на автомобиль от 4000 рублей . По времени процедура установки занимает от 1,5 часа до 3 часов с обычной электрикой, и от 2 часов до 4 часов с электрикой Smart Connect. Все работы по установке дополнительного оборудования в сервисных центрах сертифицированы.

Наши установочные центры расположены по всей Москве:

Установка фаркопа на Дмитровском шоссе;
Установка фаркопа на Щелковском шоссе;
Установка фаркопа на Ленинском проспекте;
Установка фаркопа на Дубнинской улице(Дегунино).

Записаться на установку или рассчитать стоимость установки фаркопа на Ваш автомобиль можно по номеру телефона в Москве: +7 (499) 347 14 31.

В интернет-магазине Mnogofarkopov.ru покупку можно оплатить:

  • наличными (при курьерской доставке по Москве и МО, при самовывозе)
  • оплата по карте Visa, Maestro, MasterCard, Мир (при доставке по России)
  • оплата по счету на банковские реквизиты, длю юр. и физ. лиц
  • Яндекс.Деньги (при доставке по России)
  • Qiwi  (при доставке по России)

Обращаем Ваше внимание на то, что доставка заказанного товара осуществляется собственной курьерской службой, поэтому курьеры всегда на связи и доставляют заказы вовремя. В среднем доставка заказа до клиента по Москве составляет от 4 часов до 2 дней.

Доставка по г.Москва

  • 400 рублей в пределах МКАД, до подъезда
  • БЕСПЛАТНО в пределах МКАД, до подъезда, при сумме заказа от 8000 рублей;
  • САМОВЫВОЗ, осуществляется ТОЛЬКО по предварительному согласованию с менеджером(так как на этом складе представлен не весь ассортимент) адрес: г.Москва ул.Староватутинский проезд д.12

Важно: в случае отказа от товара при отсутствии брака, Вы оплачиваете курьеру стоимость доставки.

Доставка по Московской Области:

  • 400 рублей + 30 рублей/км (от МКАД), до подъезда
  • 30 рублей/км (от МКАД), до подъезда, при сумме заказа от 8000 рублей;

Важно: в случае отказа от товара при отсутствии брака, Вы оплачиваете курьеру стоимость доставки.

Доставка по России

  • Доставка осуществляется транспортной компанией на выбор клиента, клиент оплачивает доставку до Транспортной компании и услуги Транпортной компании. Товар отгружается только после 100% предоплаты и поступления денег на наш расчетный счет. 
  • Стоимость доставки до транспорной компании - 400 рублей, при сумме больше 8000 рублей - БЕСПЛАТНО.

Доставка в Казахстан и Белоруссию

  • Доставка осуществляется Транспортной Компанией КИТ, клиент оплачивает доставку до Транспортной компании и услуги Транпортной компании. Товар отгружается только после 100% предоплаты и поступления денег на наш расчетный счет. 
  • Стоимость доставки до транспорной компании - 400 рублей, при сумме больше 8000 рублей - БЕСПЛАТНО.

Сертификаты на продукцию Baltex

Скачать сертификат Baltex

Загрузить сертификат соответствия Таможенного союза на устройство вы можете, просто нажав на кнопку.   “Скачать сертификат Baltex”.    Все сертификаты загружаются в высоком разрешении и с актуальным сроком действия.

Категории

Информация

Сертификаты

Принять

Наш сайт использует файлы cookie чтобы улучшить сайт, повысить его эффективность и удобство. Продолжая использовать сайт, вы соглашаетесь на использования файлов coocie.